65mm Casement Windows Series 0
65mm Casement Windows Series 0

65mm Casement Windows Series

Product Overview

Character: Width of frame is 65mm; with multi-chambers, 3 points for sealing, standard U grooves designing, and universal standard hardware, and using different glass bead to suitable for different thickness of glass

Product Details

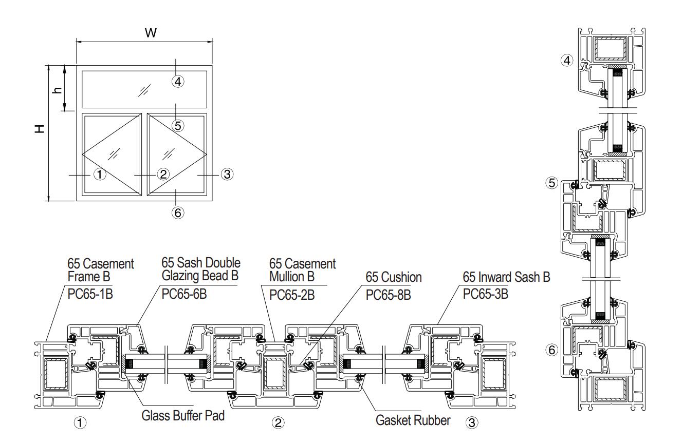
LESSO 65mm Casement Window Configuration

Structure of LESSO 65mm Casement Windows Series

LESSO UPVC System Accessories

Partner with top hardware suppliers such as ROTO, SIEGENIA-AUBI,G-U, and other Chinese famous brands.

LESSO UPVC System Accessories

Windows & Doors -Glass / Glazing Bead / Rubber

Windows Doors -Glass / Glazing Bead / Rubber

Windows Doors -Glass / Glazing Bead / Rubber

Additional Resources

Contact Us

Name:
Country:
Tel:
E-mail:
If you have any questions, please leave a message here:
Code :

TOP