60mm Casement Windows Series 0
60mm Casement Windows Series 0

60mm Casement Windows Series

Product Overview

Advanced extrusion equipment and well-known mold (Sanjia, Naika,Jianyuan) are adopted to maintain consistent quality.
Character: Standard chamber designing, and universal European standard U grooved hardware, and using different glass bead to suitable for different thickness of glass.

Product Details

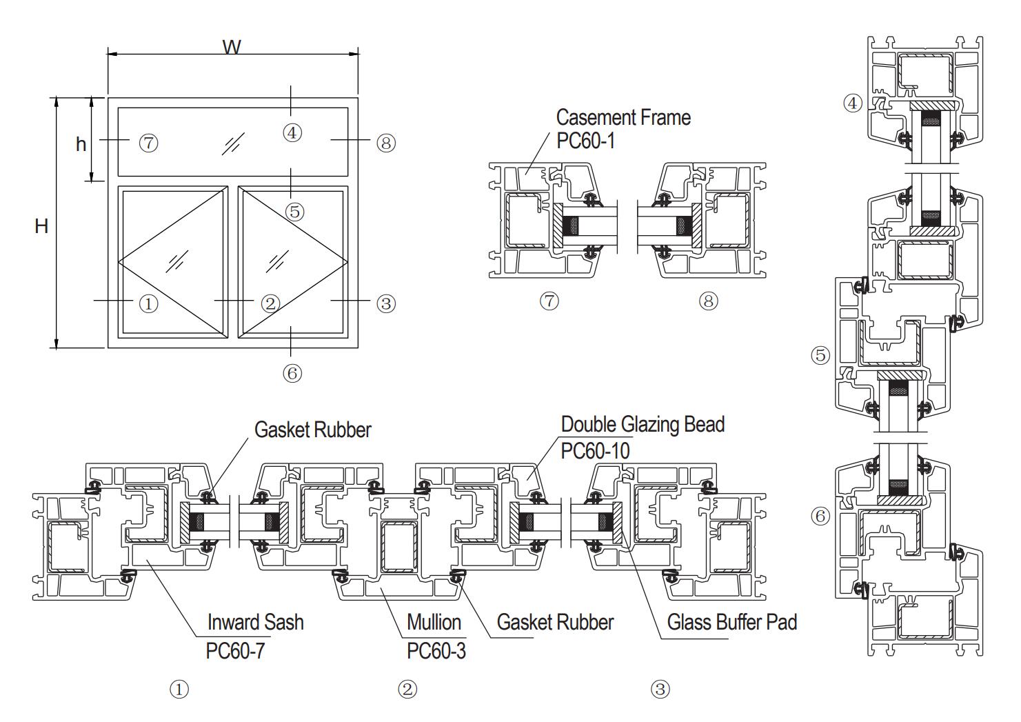
LESSO 60mm Casement Windows Y Configuration


Structure of LESSO 60mm Casement Windows Series

LESSO UPVC System Accessories

Partner with top hardware suppliers such as ROTO, SIEGENIA-AUBI,G-U, and other Chinese famous brands.

LESSO UPVC System Accessories

Windows & Doors -Glass / Glazing Bead / Rubber

Windows Doors -Glass / Glazing Bead / Rubber

Windows Doors -Glass / Glazing Bead / Rubber

Additional Resources

Contact Us

Name:
Country:
Tel:
E-mail:
If you have any questions, please leave a message here:
Code :

TOP